| توافر الحالة: | |
|---|---|
| الكمية: | |
Sinopak
مقدمة المنتج - المبدأ
مقدمة المنتج – مفهوم التصميم
مقدمة المنتج – التركيب
مقدمة المنتج – الأوضاع
التكنولوجيا الرئيسية
تتمركز وحدة الطاقة على محول تيار IGBT، والذي يحول جهد التيار المستمر إلى جهد تيار متردد، ويتحكم في التردد والسعة ومرحلة جهد التيار المتردد لتحقيق تنظيم الطاقة التفاعلية ووظائف التصفية للجهاز بأكمله.
يجب أن يوفر جهاز التنفيذ لنظام التحكم والحماية الشامل لخزانة التحكم فحصًا سريعًا وحسابًا لقدرة الطاقة التفاعلية، وبالتالي تحفيز توليد النبض وتوزيعه، وتحقيق الحماية ذات الطبقات والمتدرجة لمجموعة المعدات.
الابتكار المميز – النوع الأول من الطوبولوجيا المتتالية ثلاثية المستويات
النوع الأول من طوبولوجيا الجسر H ثلاثي المستويات
شكل موجة خرج بخمسة مستويات من جسر H ثلاثي المستويات من النوع الأول
الابتكار المميز – هيكل وحدة الطاقة
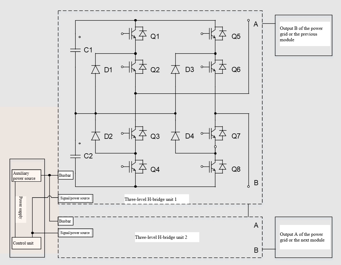
وحدة واحدة في وحدة مزدوجة تصميم هيكلي "اثنين في واحد". تختلف عن التقليدية تتوفر وحدتان في واحد في السوق، وتستخدم لوحة تحكم رئيسية واحدة لتحقيق مخرجات التحكم المتتالية لجسرين كاملين من النوع الأول من ثلاثة مستويات.
طوبولوجيا هيكل وحدة الطاقة
الابتكار المميز – المزايا الهيكلية والابتكار
الابتكار المميز – نظام التحكم الرئيسي
تخطيط المنتج
مقدمة المنتج - المبدأ
مقدمة المنتج – مفهوم التصميم
مقدمة المنتج – التركيب
مقدمة المنتج – الأوضاع
التكنولوجيا الرئيسية
تتمركز وحدة الطاقة على محول تيار IGBT، والذي يحول جهد التيار المستمر إلى جهد تيار متردد، ويتحكم في التردد والسعة ومرحلة جهد التيار المتردد لتحقيق تنظيم الطاقة التفاعلية ووظائف التصفية للجهاز بأكمله.
يجب أن يوفر جهاز التنفيذ لنظام التحكم والحماية الشامل لخزانة التحكم فحصًا سريعًا وحسابًا لقدرة الطاقة التفاعلية، وبالتالي تحفيز توليد النبض وتوزيعه، وتحقيق الحماية ذات الطبقات والمتدرجة لمجموعة المعدات.
الابتكار المميز – النوع الأول من الطوبولوجيا المتتالية ثلاثية المستويات
النوع الأول من طوبولوجيا الجسر H ثلاثي المستويات
شكل موجة خرج بخمسة مستويات من جسر H ثلاثي المستويات من النوع الأول
الابتكار المميز – هيكل وحدة الطاقة
وحدة واحدة في وحدة مزدوجة تصميم هيكلي "اثنين في واحد". تختلف عن التقليدية تتوفر وحدتان في واحد في السوق، وتستخدم لوحة تحكم رئيسية واحدة لتحقيق مخرجات التحكم المتتالية لجسرين كاملين من النوع الأول من ثلاثة مستويات.
طوبولوجيا هيكل وحدة الطاقة
الابتكار المميز – المزايا الهيكلية والابتكار
الابتكار المميز – نظام التحكم الرئيسي
تخطيط المنتج